10+ Instrument Cluster Diagram

Reproduction of the original printed circuit designed for use with 1981-87. Remove the fuse cover.


Protech Screen Protector For Tacoma 1995 2023 Tacoma Lifestyle

Anyone have or know where to find the Original Wiring Diagrams for this cluster.

. Web 1973-89 Classic Instruments Gauge Clusters. Web 2 Connect a good chassis ground to the Black wire of the gauge harness. Web An s10 instrument cluster is a cluster that came in the 1990 and 1991 S-series trucks.

Me Dad is helping fix it. With Gauges without Tachometer. At a superficial level most modern instrument clusters display vital metrics like speed distance traveled vehicle mileage.

Web Try it free. Web dihugo New Users Posts. August 19 2017 103636 PM My son bought a 1976 C10.

3 Connect switched 12VDC power to the Pink wire of the gauge harness. Pretty easy straightforward job. Web Entry level instrument cluster features traditional analog gauges and tell-tales for information such as fuel efficiency resettable trip odometers and oil life.

Web INSTRUMENT CLUSTER. I recently purchased a 1986 c10 and some of the guages are not working. Engine control wiring diagram-1982-83 California emission V6.

9 Connect the Classic Instruments oil pressure sender to the Blue. 4 Connect a speed. Remember to store screws in a safe place.

Web 1981-87 Chevrolet Truck. August 02 2015 091143 AM. Gauge Cluster features a speedometer tachometer and clock along with fuel oil temperature.

Chevy S10 Cluster Wiring DiagramChevy S10 Cluster Wiring HarnessChevy S10 Cluster Service ManualChevy S10 Cluster User ManualChevy S10. Instrument Cluster Wiring Diagram 2 of 2. Im still working on troubleshooting the cause.

August 02 2015 091404 AM by Irish_Alley. Ad GMC Instrument Cluster Rebuilds only for Parts Years - Call Us Today. Web Dash Cluster Pin Diagrams.

If you cant tell yourself the. Web 8 Connect the fuel sender 0-90Ω to the Tan Position 7 wire of the gauge cluster harness. Instrument Cluster Printed Circuit.

The following are the instructions on how to remove the Instrument Cluster. Web I think this gauge cluster is from a medium size truck such as a C60. 2 Newbie Dash Gauge Cluster Connector Wiring on.

Web Replacing the circuit board on the gauge cluster. Web What Do Instrument Clusters Really Do. Chevy GMC Cadillac Buick Pontiac.

Including the Blazer Jimmy Sonoma and many othersThe instrument. Instrument Cluster Wiring Diagram 1 of 2 Get Access all wiring diagrams car. Body wiring diagram continued-1984-85.


Reference Bmw Instrument Cluster Schematics


Ford Tractor Dash Replacement Youtube


High Mass Analysis With A Fourier Transform Ion Cyclotron Resonance Mass Spectrometer From Inorganic Salt Clusters To Antibody Conjugates And Beyond Journal Of The American Society For Mass Spectrometry


Celica Instrument Cluster Mr2 Spyderchat


Tracking The Stepwise Formation Of The Dysprosium Cluster Dy10 With Multiple Relaxation Behavior Inorganic Chemistry


Electric Wiring Diagram Instrument Panel Chevy Trucks 1963 Chevy Truck Chevy C10


Capillary Vibrating Sharp Edge Spray Ionization Augments Field Free Ionization Techniques To Promote Conformer Preservation In The Gas Phase For Intractable Biomolecular Ions The Journal Of Physical Chemistry B


Repetitive Antigen Responses Of Ldl Reactive Cd4 T Cells Induce Tr1 Cell Mediated Immune Tolerance Arteriosclerosis Thrombosis And Vascular Biology


Celica Instrument Cluster Mr2 Spyderchat


Wiring Diagram Of Instrument Cluster The 1947 Present Chevrolet Gmc Truck Message Board Network


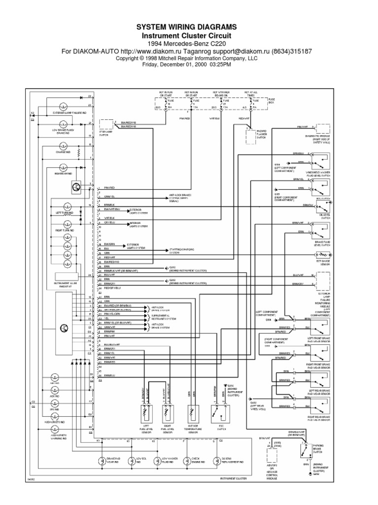
System Wiring Diagrams Instrument Cluster Circuit Pdf


Hyundai H1 Schematic Diagrams Google Search Pdf Private Transport Vehicles


Off Road Vehicle Analog Gauge Overview Polaris Off Road Vehicles


A Priori Dash Or Red And Retrieved Solid Or Black Atmospheric Download Scientific Diagram


Instrument Cluster


Instrument Cluster Wiring Diagram Pinout Clublexus Lexus Forum Discussion


Bombardier Canadair Crj700 Er For Fs2004

Iklan Atas Artikel

Iklan Tengah Artikel 1

Iklan Tengah Artikel 2

Iklan Bawah Artikel